※ 주의사항 ※
본 블로그는 수업 내용을 바탕으로 제가 이해한 부분을 정리한 블로그입니다.
본 내용을 참고로만 보시고, 틀린 부분이 있다면 지적 부탁드립니다!
감사합니다😁
안녕하세요!!
오늘은 아래와 같은 내용을 확인해보겠습니다.
Memory 제어
Memory 제어 기본 예제
Memory 제어 응용 예제
1. Memory 제어 기본
1-1. Memory 제어 기본회로


1) 기본 개념
- 입력신호가 입력되어 출력신호를 얻은 후에 입력신호가 없어져도 그때의 상태를 유지하는 제어 방법.
- 한번 출력된 제어 신호가 기억 된다.
- 출력신호의 제거를 위해서는 반대의 입력신호가 입력되어야 한다.
- 예 : 양솔 솔레노이드 밸브
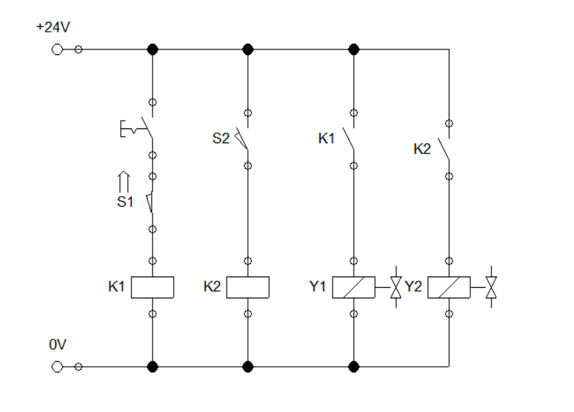
2) 시뮬레이터(복동 실린더, 양솔 솔레노이드 밸브)


- S1, S2센서(Read Sensor)를 부착해서 실린더의 전진 및 후진시 Read Sensor에서 위치를 읽고 스위치의 상태를 변경한다.

- 위와 같은 회로 구성시 한계점 : 무한정 실린더가 전진 및 후진을 반복하게 된다.
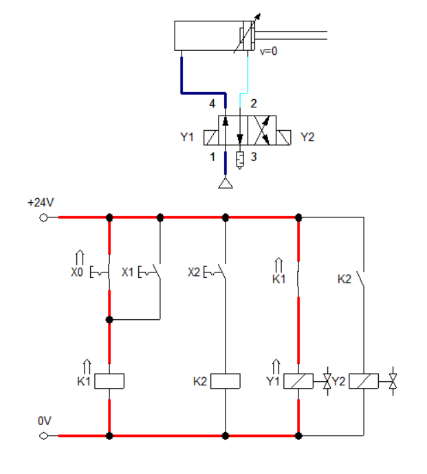
1-2. Memory 제어 기본예제 - 1
1) 문제
- 복동 실런더를 이용하여 Swivel Bridge를 상하로 이동시키고자 한다. 실린더는 푸시버튼 스위치로 제어하며, 전진 운동은 두군데에서 시킬 수 있어야 한다.
| 입력(INPUT) | 출력(OUTPUT) | ||
| St | X0 | Y1 | Y20 |
| S1 | X1 | Y2 | Y21 |
| S2 | X2 | ||
2) 래더 프로그램 (전진운동은 한군데에서만 동작)

- 하드웨어적으로 메모리 제어 요소를 가지고 있기 때문에 입력을 제거해도 실린더가 복귀하지 않는다. 고로 입력단 X1과 X2에 자기유지회로를 구성하지 않아도 된다.
3) 시뮬레이터 프로그램

- 전진운동은 두곳의 입력(X0, X1)에서 받으며 실린더의 후진은 X2 입력으로 받는다.
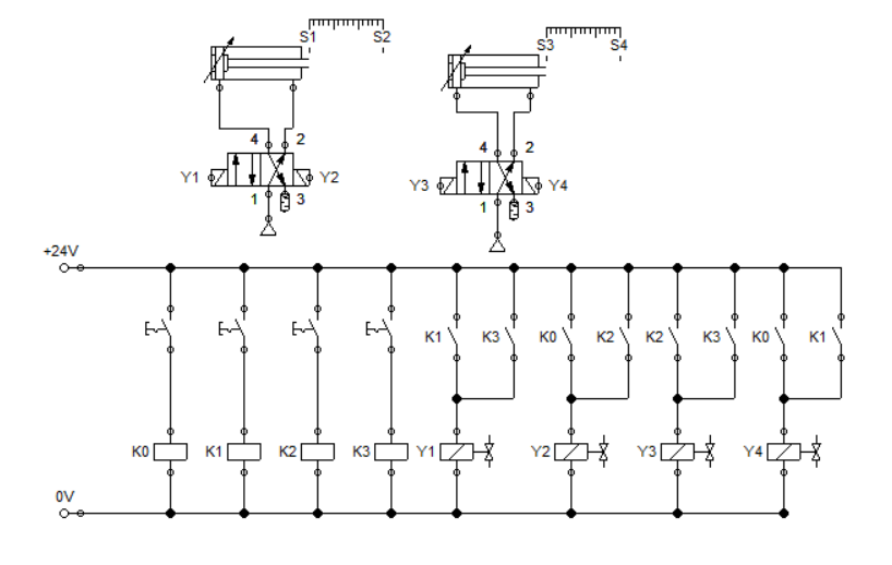
1-3. Memory 제어 기본예제 - 2 : 이중코일 관련
1) 문제

도착된 물건은 4개의 콘베어로 분리하고자 한다. 원하는 위치로 이송시키는 것은 4개의 누름 버튼 스위치를 이용하여 순서에 상관 없이 기능해야 한다.
※ 실린더 형태에 따른 S/W 및 출력 확인
2) 시뮬레이터

- 실무적인 회로는 아니지만 입력에 따라 미치는 출력을 파악하고 이중코일을 방지하기위해 어떻게 구성을 해야하는지 파악하는것이 중요하다.!!
3) 래더프로그램
- 입력부 자기유지회로 설정

- SET 설정에 따른 Reset 설정

→ 자기가 입력한 버튼을 제외한 내부메모리(M)를 리셋하여 준다.
- 구동부

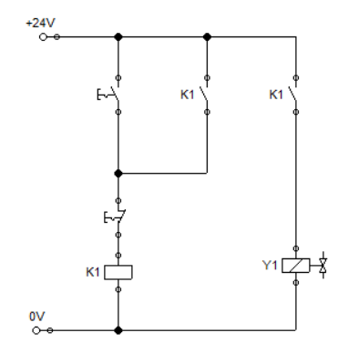
2. Memory 제어 심화(자기유지회로 + 타이머 + 카운터)
※ 자기유지 기본회로


- 자기유지 접점이 오면 반드시 뒤에 리셋용 B접점이 와야 한다
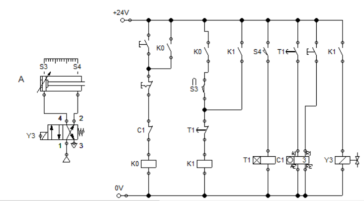
2-1. Memory 제어 심화 예제 -1 : 복동 실린더 / 편솔 밸브 (파일롯 컨트롤)
1) 시뮬레이터

- 편솔 밸브로 밸브 방향전환의 한쪽은 전기적인 릴레이로 전환하고 복귀는 스프링으로 한다
- 실린더의 전진 후진의 입력(S3, S4)는 Read Sensor를 통해 읽어 들이고 타이머 설정값 도달시 카운터가 1회 증가하여 3회 카운터가 도달하면 자기유지를 차단해서 실린더의 동작을 멈춘다.
2) 래더프로그램

- 실린더가 3번째(카운터 횟수값)동작 후 후진해서 S3 Sensor의 값을 읽어들이면 20 Step 의 A접점 2개(C1, X3)가 B접점으로 바뀌면서 자동으로 카운터의 값을 초기화 시켜준다.
2-2. Memory 제어 심화 예제 -2 : 복동 실린더 / 양솔 밸브 (메모리 컨트롤)
1) 시뮬레이터

- 양솔 밸브로 밸브 방향전환의 양쪽다 전기적인 릴레이로 전환한다.
- 실린더의 전진 후진의 입력(S1, S2)는 Read Sensor를 통해 읽어 들이고 타이머 설정값 도달시 카운터가 증가하여 카운터 설정값에 도달하면 자기유지를 차단해서 실린더의 동작을 멈춘다.
2) 래더프로그램

'대한상공회의소 스마트팩토리 교육 > PLC 프로그래밍' 카테고리의 다른 글
| [프로젝트]디지털 스마트팩토리 개발 «수업-4» : MPS(Module Production System)장비 MELSEC PLC 제어-① (공급공정) (0) | 2022.03.21 |
|---|---|
| [프로젝트]디지털 스마트팩토리 개발 «수업-3» : Stepper 공식 / Stepper 회로 설계 (편솔 및 양솔) (0) | 2022.03.17 |
| [프로젝트]디지털 스마트팩토리 개발 «수업-1» : 공압 시스템 / 공압 Actuator / 공압 Valve / Pilot 제어 (0) | 2022.03.15 |
| [PLC 프로그래밍] 지멘스 PLC 구조화 프로그램 (0) | 2022.01.21 |
| [PLC 프로그래밍] 지멘스 PLC 기초 프로그램 (0) | 2022.01.20 |

댓글